コンピュータでは、0と1という2つの信号のみによって複雑な演算や制御が行われる。
この演算や制御を行う回路のことを論理回路といい、下で説明する
という3つの基本的な回路の組み合わせで、実はすべての計算を行うことができる。
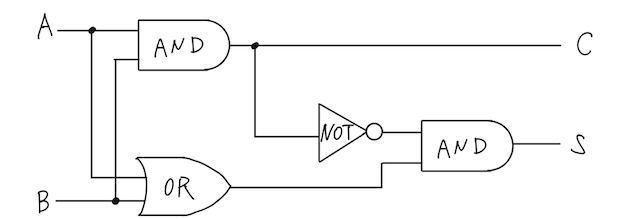
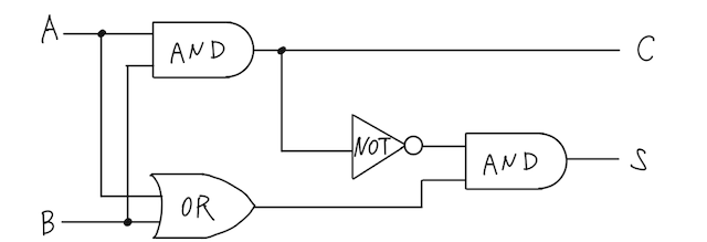
これらのAND回路、OR回路、NOT回路を用いて、以下のように組み合わせた回路のことを、半加算回路という。

なぜこの回路が特別なのかも含めて、じっくり考えていこう。
まずは基本回路であるAND回路、OR回路、NOT回路の内容を押さえておこう。(詳しくは論理回路のページから確認しよう)

※ このように、入力と出力の関係を示した表を真理値表という。
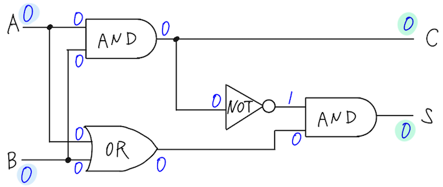
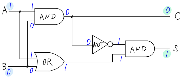
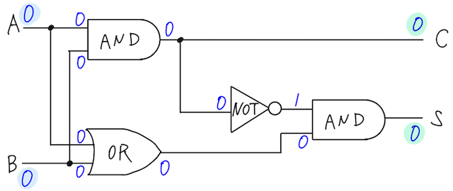
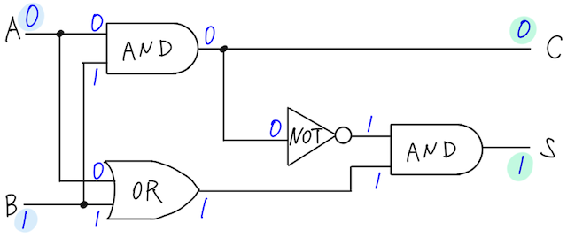
では、今回の半加算回路について、入力の4パターンそれぞれで出力がどうなるか、1個1個考えていこう。
それぞれの回路のパーツでの出力がどうなるかを地道にパズルのように考えていくのがポイント!

このように、出力は C:0、S:0 とわかる。

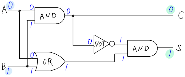
このように、出力は C:0、S:1 とわかる。

このように、出力は C:0、S:1 とわかる。

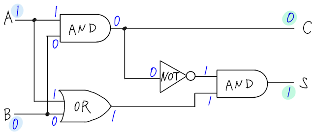
このように、出力は C:1、S:0 とわかる。
よって、まとめると半加算回路全体の真理値表はこちら。

この結果を見てみると、実は入力された値の足し算の結果が、出力される値になっていることがわかる。
実際に、それぞれの入力パターンの値について、2進数での足し算を行うと、
であり、確かに出力のCとSを並べた値と一致する。
足し算を表せるということもあり、この回路のことを半加算回路と呼ぶ。この回路では、下の桁からの繰り上がりについては表せない(なので「半」加算回路)が、それを表せるようにした全加算回路というものもある。
このように、AND回路、OR回路、NOT回路の組み合わせで、あらゆる計算を行うことができることを押さえておこう!
この用語を含むファイル
関連動画
関連用語